- 欢迎访问先达股份网站!
您当前的位置:网站首页 > 新闻中心 > 环保公示 > 新闻详情
新闻中心 / NEWS CENTER
  新闻中心 - 环保公示
2025年1-6月份环境检测报告
发布时间:2025-07-16     作者:云顶集团,云顶国际,云顶集团3118官网,yd12300云顶线路,yd2333云顶电子游戏
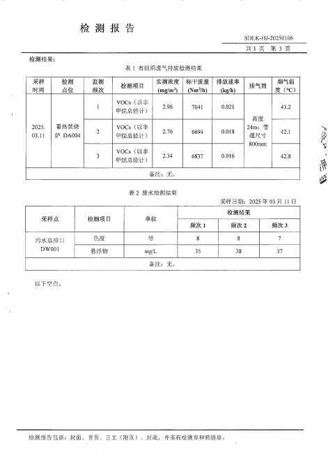
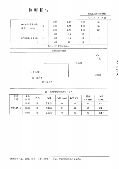
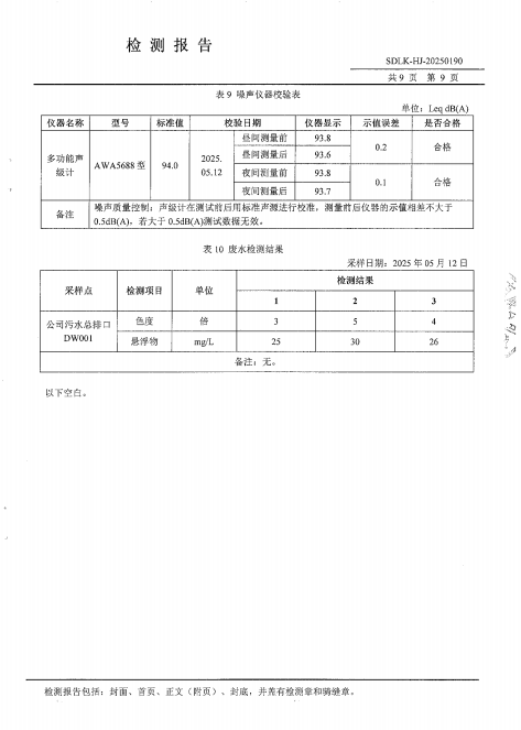
鍥剧墖1.png鍥剧墖2.png鍥剧墖3.png鍥剧墖4.png鍥剧墖5.png鍥剧墖6.png鍥剧墖7.png鍥剧墖8.png鍥剧墖9.png鍥剧墖10.png鍥剧墖11.png鍥剧墖12.png鍥剧墖13.png鍥剧墖14.png鍥剧墖15.png鍥剧墖16.png鍥剧墖17.png鍥剧墖18.png鍥剧墖19.png鍥剧墖20.png鍥剧墖21.png鍥剧墖22.png鍥剧墖23.png鍥剧墖24.png鍥剧墖25.png鍥剧墖26.png鍥剧墖27.png鍥剧墖28.png鍥剧墖29.png鍥剧墖30.png鍥剧墖31.png鍥剧墖32.png鍥剧墖33.png鍥剧墖34.png鍥剧墖35.png鍥剧墖36.png鍥剧墖37.png鍥剧墖38.png鍥剧墖39.png鍥剧墖40.png鍥剧墖41.png鍥剧墖42.png鍥剧墖43.png鍥剧墖44.png鍥剧墖45.png鍥剧墖46.png鍥剧墖47.png鍥剧墖48.png鍥剧墖49.png鍥剧墖50.png鍥剧墖51.png鍥剧墖52.png鍥剧墖53.png鍥剧墖54.png鍥剧墖55.png

云顶集团,云顶国际,云顶集团3118官网,yd12300云顶线路,yd2333云顶电子游戏成立于1999年,系国家高新技术企业、主板上市企业,股票代码603086。下设潍坊先达化工有限公司、辽宁先达农业科学有限公司、济南先达化工科技有限公司、济南瑞斯邦国际贸易有限公司、博兴县盛信达安全技术服务有限公司六个全资子公司,集团运营总部设于济南高新区,三个生产基地分别设于滨州博兴经济开发区、潍坊滨海临港化工园和辽宁葫芦岛北港工业区。公司主要从事农药的研发、生产及销售。

  联系我们
地 址:济南市高新区新泺路2008号银荷大厦D座6楼
电 话:0531-88875376
传 真:0531-88875376
企业邮箱:[email protected]
  邮箱订阅

公司主要从事除草剂的研发、生产及销售,同时兼营杀菌剂、医药及农药中间体。
您有任何问题请留下联系方式

版权所有 © Copyright   云顶集团,云顶国际,云顶集团3118官网,yd12300云顶线路,yd2333云顶电子游戏   All Rights Reserved   鲁ICP备17050640号   技术支持:济南优美嘉   实验室废水处理设备