- 欢迎访问先达股份网站!
您当前的位置:网站首页 > 新闻中心 > 环保公示 > 新闻详情
新闻中心 / NEWS CENTER
  新闻中心 - 环保公示
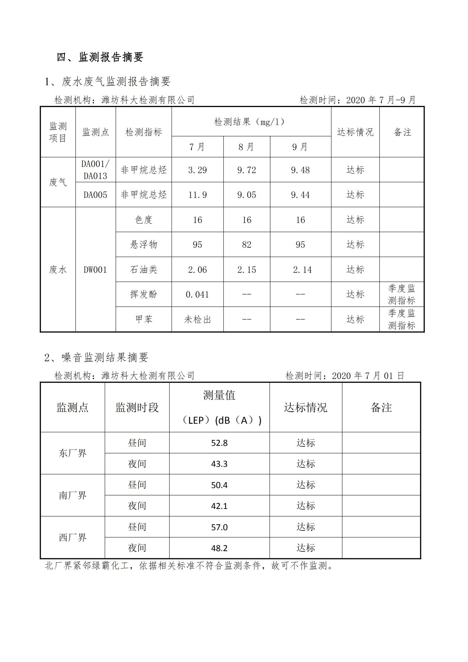
潍坊先达化工有限公司2020年第三季度环保信息公开
发布时间:2020-10-12     作者:云顶集团,云顶国际,云顶集团3118官网,yd12300云顶线路,yd2333云顶电子游戏
娼嶅潑鍏堣揪鍖栧伐鏈夐檺鍏徃2020骞寸涓夊搴︾幆淇濅俊鎭叕寮€_00.jpg娼嶅潑鍏堣揪鍖栧伐鏈夐檺鍏徃2020骞寸涓夊搴︾幆淇濅俊鎭叕寮€_01.jpg娼嶅潑鍏堣揪鍖栧伐鏈夐檺鍏徃2020骞寸涓夊搴︾幆淇濅俊鎭叕寮€_02.jpg娼嶅潑鍏堣揪鍖栧伐鏈夐檺鍏徃2020骞寸涓夊搴︾幆淇濅俊鎭叕寮€_03.jpg娼嶅潑鍏堣揪鍖栧伐鏈夐檺鍏徃2020骞寸涓夊搴︾幆淇濅俊鎭叕寮€_04.jpg娼嶅潑鍏堣揪鍖栧伐鏈夐檺鍏徃2020骞寸涓夊搴︾幆淇濅俊鎭叕寮€_05.jpg娼嶅潑鍏堣揪鍖栧伐鏈夐檺鍏徃2020骞寸涓夊搴︾幆淇濅俊鎭叕寮€_06.jpg娼嶅潑鍏堣揪鍖栧伐鏈夐檺鍏徃2020骞寸涓夊搴︾幆淇濅俊鎭叕寮€_07.jpg娼嶅潑鍏堣揪鍖栧伐鏈夐檺鍏徃2020骞寸涓夊搴︾幆淇濅俊鎭叕寮€_08.jpg娼嶅潑鍏堣揪鍖栧伐鏈夐檺鍏徃2020骞寸涓夊搴︾幆淇濅俊鎭叕寮€_09.jpg娼嶅潑鍏堣揪鍖栧伐鏈夐檺鍏徃2020骞寸涓夊搴︾幆淇濅俊鎭叕寮€_10.jpg娼嶅潑鍏堣揪鍖栧伐鏈夐檺鍏徃2020骞寸涓夊搴︾幆淇濅俊鎭叕寮€_11.jpg娼嶅潑鍏堣揪鍖栧伐鏈夐檺鍏徃2020骞寸涓夊搴︾幆淇濅俊鎭叕寮€_12.jpg娼嶅潑鍏堣揪鍖栧伐鏈夐檺鍏徃2020骞寸涓夊搴︾幆淇濅俊鎭叕寮€_13.jpg娼嶅潑鍏堣揪鍖栧伐鏈夐檺鍏徃2020骞寸涓夊搴︾幆淇濅俊鎭叕寮€_14.jpg娼嶅潑鍏堣揪鍖栧伐鏈夐檺鍏徃2020骞寸涓夊搴︾幆淇濅俊鎭叕寮€_15.jpg娼嶅潑鍏堣揪鍖栧伐鏈夐檺鍏徃2020骞寸涓夊搴︾幆淇濅俊鎭叕寮€_16.jpg娼嶅潑鍏堣揪鍖栧伐鏈夐檺鍏徃2020骞寸涓夊搴︾幆淇濅俊鎭叕寮€_17.jpg娼嶅潑鍏堣揪鍖栧伐鏈夐檺鍏徃2020骞寸涓夊搴︾幆淇濅俊鎭叕寮€_18.jpg娼嶅潑鍏堣揪鍖栧伐鏈夐檺鍏徃2020骞寸涓夊搴︾幆淇濅俊鎭叕寮€_19.jpg娼嶅潑鍏堣揪鍖栧伐鏈夐檺鍏徃2020骞寸涓夊搴︾幆淇濅俊鎭叕寮€_20.jpg娼嶅潑鍏堣揪鍖栧伐鏈夐檺鍏徃2020骞寸涓夊搴︾幆淇濅俊鎭叕寮€_21.jpg娼嶅潑鍏堣揪鍖栧伐鏈夐檺鍏徃2020骞寸涓夊搴︾幆淇濅俊鎭叕寮€_22.jpg娼嶅潑鍏堣揪鍖栧伐鏈夐檺鍏徃2020骞寸涓夊搴︾幆淇濅俊鎭叕寮€_23.jpg娼嶅潑鍏堣揪鍖栧伐鏈夐檺鍏徃2020骞寸涓夊搴︾幆淇濅俊鎭叕寮€_24.jpg娼嶅潑鍏堣揪鍖栧伐鏈夐檺鍏徃2020骞寸涓夊搴︾幆淇濅俊鎭叕寮€_25.jpg娼嶅潑鍏堣揪鍖栧伐鏈夐檺鍏徃2020骞寸涓夊搴︾幆淇濅俊鎭叕寮€_26.jpg娼嶅潑鍏堣揪鍖栧伐鏈夐檺鍏徃2020骞寸涓夊搴︾幆淇濅俊鎭叕寮€_27.jpg娼嶅潑鍏堣揪鍖栧伐鏈夐檺鍏徃2020骞寸涓夊搴︾幆淇濅俊鎭叕寮€_28.jpg娼嶅潑鍏堣揪鍖栧伐鏈夐檺鍏徃2020骞寸涓夊搴︾幆淇濅俊鎭叕寮€_29.jpg娼嶅潑鍏堣揪鍖栧伐鏈夐檺鍏徃2020骞寸涓夊搴︾幆淇濅俊鎭叕寮€_30.jpg娼嶅潑鍏堣揪鍖栧伐鏈夐檺鍏徃2020骞寸涓夊搴︾幆淇濅俊鎭叕寮€_31.jpg

云顶集团,云顶国际,云顶集团3118官网,yd12300云顶线路,yd2333云顶电子游戏成立于1999年,系国家高新技术企业、主板上市企业,股票代码603086。下设潍坊先达化工有限公司、辽宁先达农业科学有限公司、济南先达化工科技有限公司、济南瑞斯邦国际贸易有限公司、博兴县盛信达安全技术服务有限公司六个全资子公司,集团运营总部设于济南高新区,三个生产基地分别设于滨州博兴经济开发区、潍坊滨海临港化工园和辽宁葫芦岛北港工业区。公司主要从事农药的研发、生产及销售。

  联系我们
地 址:济南市高新区新泺路2008号银荷大厦D座6楼
电 话:0531-88875376
传 真:0531-88875376
企业邮箱:[email protected]
  邮箱订阅

公司主要从事除草剂的研发、生产及销售,同时兼营杀菌剂、医药及农药中间体。
您有任何问题请留下联系方式

版权所有 © Copyright   云顶集团,云顶国际,云顶集团3118官网,yd12300云顶线路,yd2333云顶电子游戏   All Rights Reserved   鲁ICP备17050640号   技术支持:济南优美嘉   实验室废水处理设备