云顶集团,云顶国际,云顶集团3118官网,yd12300云顶线路,yd2333云顶电子游戏环境信息公示
一、基础信息和环境保护行政许可情况
|
单位名称 |
云顶集团,云顶国际,云顶集团3118官网,yd12300云顶线路,yd2333云顶电子游戏 |
|
单位详细地址 |
博兴经济开发区兴博一路169号 |
|
法定代表人 |
王现全 |
|
组织机构代码 |
74336560-9 |
|
统一社会信用代码 |
913700007433656097 |
|
联系电话 |
0543-2310096 |
|
排污许可证证书编号 |
913700007433656097001P |
|
环评批复部门、时间及批复文号 |
项目名称1:山东先达化工有限公司新建原药项目; 环评批复文号:博环字【2003】63号;批复时间:2003年7月2日 项目名称2:污水处理设施改造项目 环评批复文号:博环表【2009】29号;批复时间:2009年3月16日 项目名称3:环保废水、废气治理项目 环评批复文号:博环表【2015】45号;批复时间:2015年11月26日 项目名称4:废气综合治理提升项目环评登记表 建设项目环境影响登记表备案号:201937162500000508;批复时间:2019年11月29日 项目名称5:年产5000吨高端综合智能制剂车间项目 环评批复文号:博审环表【2020】374号;批复时间:2020年12月28日
|
|
项目环境保护验收文号 |
项目名称1:山东先达化工有限公司新建原药项目; 验收文号:环验【2006】6号;验收时间:2006年6月22日 项目名称2:污水处理设施改造项目 验收文号:博环验【2009】11号;验收时间:2009年11月10日 项目名称3:环保废水、废气治理项目 验收文号:博环验【2016】13号;验收时间:2016年5月12日 |
|
行业类型及代码 |
化学农药制造/2631 |
|
生产规模 |
小 型 |
|
单位环保负责人 |
门 飞 |
|
联系电话 |
17705433758 |
|
现有主要生产产品及规模 |
1000吨咪草烟中间体丁酰胺;1100吨烯草酮;200吨烯禾啶;500吨烯酰吗啉;综合制剂项目。 |
二、排污信息
(一)废水排放信息表
|
排放口编号 |
FS001 |
||||||
|
排放去向 |
光大水务(博兴)有限公司 |
||||||
|
废水种类 |
废水 |
||||||
|
2020年废水排放量(t/a) |
56047 |
||||||
|
主要污染因子 |
COD |
氨氮 |
COD |
氨氮 |
|||
|
执行排放标准 |
≤500(排入光大水务标准) |
≤50(排入光大水务标准) |
≤50(光大水务外排标准) |
≤5(光大水务外排标准) |
|||
|
COD允许排放量(t/a) |
36 |
||||||
|
氨氮允许排放量(t/a) |
3.24 |
||||||
|
主要污染物排放情况 |
COD |
浓度mg/L |
≤500(排入光大水务标准) |
2021年第一季度COD排放量 |
|||
|
排放量t/a |
34.9 |
1.41t |
|||||
|
氨氮 |
浓度mg/L |
≤50(排入光大水务标准) |
2021年第一季度氨氮排放量 |
||||
|
排放量t/a |
3.49 |
0.32t |
|||||
|
备注: |
|||||||
(二)废气排放信息表
|
排气筒编号 |
DA-04 |
||
|
废气种类 |
焚烧后废气 |
||
|
废气污染源 |
名称 |
RTO |
|
|
型号 |
蓄热氧化炉 |
||
|
排气量(Nm3/h) |
3430 |
||
|
排气筒高度(m) |
22 |
||
|
执行排放标准 |
颗粒物:10 mg/m³;SO2:50mg/m³;氮氧化物100 mg/m³;VOCs 60mg/m³。 |
||
|
SO2允许排放量(t/a) |
3.6 |
||
|
氮氧化物允许排放量(t/a) |
7.2 |
||
|
颗粒物允许排放量(t/a) |
0.72 |
||
|
VOCs允许排放量(t/a) |
8.42 |
||
|
主要污染物排放情况见附件 |
颗粒物 |
浓度mg/m³ |
5.66 |
|
排放量t/1季度 |
0.014 |
||
|
SO2 |
浓度mg/m³ |
3 |
|
|
排放量t/1季度 |
0.007 |
||
|
氮氧化物 |
浓度mg/m³ |
29 |
|
|
排放量t/1季度 |
0.075 |
||
|
VOCs |
浓度mg/m³ |
22 |
|
|
排放量t/1季度 |
0.144 |
||
|
备注:2020年公司对排放口进行了合并,由以前的7个合并成2个,减少了污染物的排放。 |
|||
三、防止污染物设施的建设和运行情况
(一)废水设施运行情况
|
项目名称 |
废水处理设施名称 |
废水设施运行情况 |
|
山东先达化工有限公司新建原药项目 |
A/O2工艺 |
运行良好 |
(二)废气设施运行情况
|
项目名称 |
废气处理设施名称 |
废气设施运行情况 |
|
|
山东先达化工有限公司新建原药项目 |
咪草烟中间体丁酰胺 |
吸收塔+RTO; 活性炭吸附+RTO |
运行良好 |
|
烯草酮原药 |
冷冻+吸收塔+活性炭纤维+活性炭+RTO |
运行良好 |
|
|
烯酰吗啉原药 |
吸收塔+活性炭纤维+活性炭+活性炭纤维组合 |
运行良好 |
|
四、建设项目环境影响评价及其他环境保护行政许可情况
|
建设项目环境影响评价 |
环境保护行政许可情况 |
|
山东先达化工有限公司新建原药项目 |
环评批复文号:博环字【2003】63号;批复时间:2003年7月2日 验收文号:环验【2006】6号;验收时间:2006年6月22日 |
|
污水处理设施改造项目 |
环评批复文号:博环表【2009】29号;批复时间:2009年3月16日 验收文号:博环验【2009】11号;验收时间:2009年11月10日 |
|
环保废水、废气治理项目 |
环评批复文号:博环表【2015】45号;批复时间:2015年11月26日 验收文号:博环验【2016】13号;验收时间:2016年5月12日 |
|
废气综合治理提升项目环评登记表 |
建设项目环境影响登记表备案号:201937162500000508;批复时间:2019年11月29日 |
|
年产5000吨高端综合智能制剂车间项目 |
环评批复文号:博审环表【2020】374号;批复时间:2020年12月28日
|
五、突发环境事件应急预案
公司于2019年7月10日编制了《云顶集团,云顶国际,云顶集团3118官网,yd12300云顶线路,yd2333云顶电子游戏突发环境事件应急预案》

公司于2019年8月9日通过博兴县环境保护局备案,见备案证明。


六、季度及年度排污许可证执行报告中相关内容
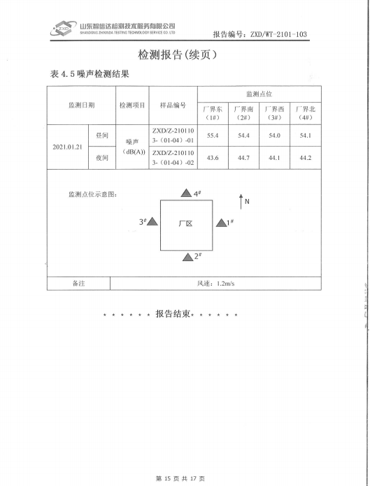
公司每年按季度进行环境监测,见第一季度监测报告


















七、其他应当公开的环境信息
公司2021年第一季度的泄露修复监测报告




云顶集团,云顶国际,云顶集团3118官网,yd12300云顶线路,yd2333云顶电子游戏成立于1999年,系国家高新技术企业、主板上市企业,股票代码603086。下设潍坊先达化工有限公司、辽宁先达农业科学有限公司、济南先达化工科技有限公司、济南瑞斯邦国际贸易有限公司、博兴县盛信达安全技术服务有限公司六个全资子公司,集团运营总部设于济南高新区,三个生产基地分别设于滨州博兴经济开发区、潍坊滨海临港化工园和辽宁葫芦岛北港工业区。公司主要从事农药的研发、生产及销售。
公司主要从事除草剂的研发、生产及销售,同时兼营杀菌剂、医药及农药中间体。
您有任何问题请留下联系方式